Store: Dinotech DE
Bewertung: ★★★★☆ (113 Rezensionen)
Standort: Göttingen, DE
Dinotech DE Logo
Dinotech DE

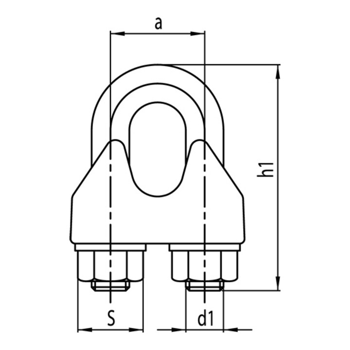
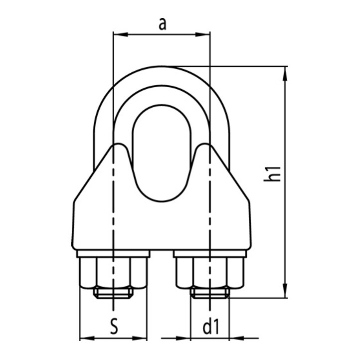
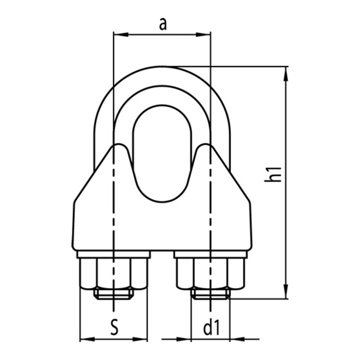
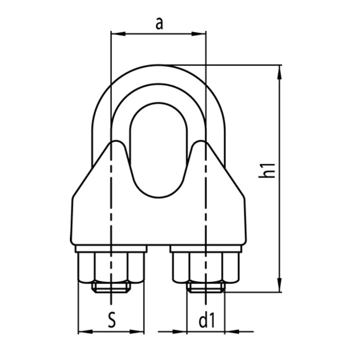
Hebevorrichtungen

Händler-Welt Werkstattausstattung & Baustellenbedarf Beförderungshilfen Hebevorrichtungen
50 Pro Seite
1